|
Zrealizovaný funkční vzorek SDR Small Station v2/2021
z prosince 2021:

Podrobnosti jsou na:
https://1drv.ms/f/s!AqUMQP6rgajXhI1jWPgQbeUnjivTsQ
Zatím vyzkoušeno pouze s mW výkony (ještě nemám PA), signál, zdá se být
čistý, na druhém zařízení je stabilní, digitální provoz dokonale čitelný,
vyzkoušeny módy FT8/FT4, Q65, ale i JT9, BPSK31 (ty jsou náročné na
stabilitu kmitočtu), RTTY, DominoEX, THOR ...
Varianta SDR (29. června 2021):
Tato koncepce vychází z varianty č. 3, pouze standardní
UHF TCVR (pásmo 432 MHz) byl nahrazen SDR TCVRem Adalm Pluto. Základní konfigurace vychází z tohoto
kmitočtového plánu:
1. RX pracuje na kmitočtu 10 368 MHz, s kmitočtem LO
FLO = 9750 MHz, FREF = 25 MHz, tj. Pluto přijímá na
kmitočtu 618 MHz. 2. TX pracuje na kmitočtu 10 368 MHz, s kmitočtem LO
FLO = 7950 MHz, FREF = 25 MHz, tj. Pluto vysílá na
kmitočtu 2418 MHz. 3. Kmitočet 7950 MHz pro směšovač TX je generován
pomocí VFO ADF4351, které běží na kmitočtu 3975 MHz, FREF = 25
MHz. Kmitočet 3975 MHz je zesílen a násoben 2x pasivním zdvojovačem
kmitočtu Analog Devices. Kmitočet 7950 MHz je směšován s kmitočtem 2418
MHz (TX Pluto) na požadovaný 10 368 MHz. 4. Všechna zařízení (LNB,
Pluto, ADF4351) využívají jediného zdroje referenčního kmitočtu FREF
= 25 MHz. 5. Pro oscilátor FREF = 25 MHz uvažuji s
provedením OCXO, typ OH300, výrobce Connor Winfield, stabilita +- 5 ppb,
nízký jitter. OCXO bylo dodáno, PCB byla vyrobena, dosud neosazena a
nezkoušena. 6. Kalibrace OCXO dle majáku řízeného GPS DO, korekce
pomocí vstupů RIT a XIT SDR transceiveru. 7. Řízení Dopplera pomocí
vstupů RIT a XIT, hodnoty počítány externí aplikací, korekce pomocí vstupů
RIT a XIT.
Základní
obvody zkoušeny provozem na satelitu QO-100.
Blokové schéma varianta SDR, v2:

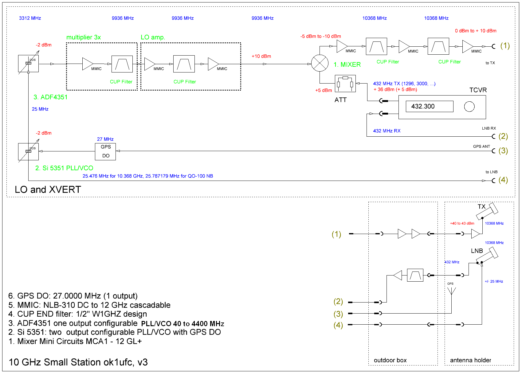
Varianta č. 3:
Varianta č. 3 vznikla po následujících úvahách a experimentech:
1. Generátor s ADF 4351 jsem opět, po několika dnech zavěsil na GPS DO
a nastavil jsem kmitočet 3 496.59 MHz. Třetí harmonická, tj. 10 489.770
byla na svém místě v přijímači pro QO-100. Signál byl na poslech velice
čistý a silný. Takže je předpoklad, že LO nové koncepce bude fungovat.
2. Láďa, OK1UNL mi daroval dvě aktivní násobičky Analog Devices, typ
HMC443. Když jsem si prohlédl pouzdro bez vývodů, usoudil jsem, že není v
mých silách obvod spolehlivě zapájet. Budu se muset na levnějších
pouzdrech 4x4 mm s 6 vývody na jedné straně pájení naučit.
3. Obětoval jsem jeden zesilovač MMIC a vyzkoušel aktivní násobičku s CUP
filtrem. Úspěšně. CUP END víčka o průměru 15 mm jsem koupil v Unihobby
covidovém výdejním okénku.
4. Vyřešil jsem synchronizaci obou generátorů z jediného kanálu GPS DO.
Použitý kmitočet je 27 MHz. Schéma je uvedeno níže.

| Poznámky:
1. Když jsem uvažoval o variantě č. 3, vyzkoušel jsem
oscilátor na frekvenci 3496.650 MHz s "anténou" na výstupním konektoru
- viz foto.
2. Signál, který jsem přijímal soustavou pro příjem QO-100 byl na 10
GHz o více než 30 dB silnější, než příjem středního majáku NB
převaděče. Signál neměl žádný vliv na příjem signálů ze satelitu, i
když byl blízko přijímané stanice.
3. Hamovna je od 10 GHz RX parabolické antény oddělena oknem,
vzdálenost cca 4 metry od generátoru, mimo vyzařovaný paprsek.
4. Třetí harmonickou na 10 GHz jsem slyšel, i když jsem přešel s
generátorem o patro níž. Stabilita odpovídala vlastnostem TCXO na
desce generátoru.
5. Tento experiment bylo motivací, abych utlumil emoce, když
jsem byl bezradný při způsobu pájení násobičky 4x; následoval pokus s
generátorem zavěšeným na GPS DO. Zavěšení na GPS DO vylepšilo stabilitu k
dokonalosti. Na poslechu jsem neslyšel žádné rozdíly v čistotě signálu
ani neviděl rozdíl na S metru RX. Takto vznikla varianta 3.
6. Zobrazovaný kmitočet 432.750 MHz odpovídá přijímanému
kmitočtu 10 489.750 MHz.
7. Kmitočet mého konkrétního generátoru bez GPS stabilizace je ujetý dolů asi o
60 kHz, nastavená hodnota 3496.650 MHz odpovídá přesné hodnotě
3496.595763 MHz.
|
 |
| |
|
|
 |
 |
| |
|
Varianta č. 2:

Generátory kmitočtů pro RX (LNB) a TX (mixer)
synchronizované z GPS DO:
| O schématu jsem uvažoval v okamžiku, kdy
jsem zjistil, že zamýšlené programovatelné oscilátory nemají referenční zdroj kmitočtů stejný.
Generátor s
kmitočtem 2484 MHz používá TCXO s kmitočtem 25 MHz a generátor Si5351 s kmitočtem
25.7871 je řízen kmitočtem 27 MHz. Abych vystačil s jediným oscilátorem
GPS DO, vyzkoušel jsem nakonec zapojení - viz obrázek vpravo, používá GEN1
(Si5351) a GEN2 (ADF 5351) s vynikajícím výsledkem. |
 |
Takže varianta 2 (obrázek nahoře) se liší:
1. LNB je modifikovaný vyřazením integrovaného PLL a směšovače s BA.
Výstupní konektor je nahrazen SMA a BA zesilovač je vyroben z MMIC pro 10
GHz.
2. Přijímací cesta musí být zkonstruována, což znamená vybavení podstatně
větším počtem stupňů MMIC a CAP filtrací.
3. Ve schématu je namalováno SDR TRX. Samozřejmě lze použít i standardní
UHF rádio, ale v takovém případě musí být vybaveno blokem s přepínacími
relé, řízeným sekvencí (nebo PTT), s atenuátorem (5W) v cestě TX, kterým
bude upravena úroveň např. z 36 dBm na + 5 dBm (úroveň směšovače).
Můj
TX atenuátor je popsán zde.
4. Varianta č. 2 má základní nevýhody: složitější
úpravu LNB, složitější přijímací cestu, ale hlavně neumožňuje volit dva
nezávislé přesné kmitočty pro RX a TX.
Poznámky:
1. Modifikaci LNB na LNA jsem vyzkoušel před několika léty úspěšně. Takže,
jakmile bude chvilka, provedu ji na dalším LNB, vyfotografuji a popíšu v
dalším článku.
2. Transvertor se velice podobá použité koncepci W1GHZ, který byl
vynikající inspirací a
dokument dávám ke stažení zde.
Varianta č. 1:
Varianta č. 1 má několik zásadních výhod:
1. Je podstatně jednodušší konstrukce, než varianta č. 2 (přijímací cesta).
2. Umožňuje nastavit rozdílné, ale naprosto přesné kmitočty pro RX a TX.
To umožňuje např. volbu rozdílných IF kmitočtů pro RX a TX (např. 432 a
144 MHz) a odpadá nutnost použití přepínaného TX atenuátoru. SDR
transceivery mají samostatné RX a TX konektory a TCVRy pro SAT provoz mají
vyvedeny samostatně pásma 430 MHz a 144 MHz.
3. Umožňuje použití LNB s jednoduchou úpravou (pouze přivedení GPS DO
injekce).

Uvedené schéma vzniklo po dlouhodobých zkouškách
Generátoru
řízeného kmitočtem GPS DO při provozu různých zařízení, včetně
setupu
pro provoz QO-100. Podrobnosti o
použití dvou
různých generátorů, s kmitočtovou synchronizací z GPS, jsem popsal na
konci tohoto článku.
|