Úvod
Přímé měření kmitočtu, zdá se
být na první pohled jednoduché. Na obrázku vpravo je 28 let starý
(pořízen v roce 1992), jednoduchý, přenosný a z baterie napájený
přímoukazující měřič kmitočtu. Zavzpomínám-li, tak digitální
stupnice často bývaly před mnoha léty prvním digitálním přístrojem
v hamovně průměrného amatéra. Bezpochyby byly velkým přínosem,
protože lepší bylo číst kmitočet jako číslo, než odečítat hodnoty
na papírové, či plechové stupnici se škálou často namalovanou
tehdy moderní fixkou nebo vyrytou ostrou rýsovací jehlou.
Je měření s přímoukazujícím měřičem tak jednoduché, jak se
na první pohled zdá?
Podívejme se na funkci
přímoukazujícího měřiče kmitočtu (lidově čítače) z pohledu
principu jeho fungování (první obrázek dole).
1. Zatím
předpokládejme, že jsme signál, jehož kmitočet měříme, dokázali
převést na impulzy, které budeme čítačem čítat.
2. Impulsy
převádíme do vstupu čítacího obvodu (čítacích dekád) pomocí
hradla, které na "správný" okamžik otevřeme. Během tohoto okamžiku
impulzy načítáme a následně budeme jejich počet zobrazovat na
numerickém vícemístném displeji.
3. Správný okamžik
otevření hradla řídíme z tzv. řídící jednotky, kterou můžeme
ovládat např. z klávesnice. I ten jednoduchý a téměř 30 let starý
přístroj má přepínač "GATE TIME", kterým lze o jeden řád změnit
dobu otevření hradla.
4. Kmitočty potřebujeme měřit velice
přesně. Proto řídící jednotka využívá přesný zdroj normálového
kmitočtu (zdroj časových intervalů). V blokovém schématu je
nakreslen symbol krystalového oscilátoru. Ve skutečnosti bývá u
levných čítačů použit TCXO (teplotně kompenzovaný krystalový
oscilátor) a u univerzálních čítačů bývá velice užitečný vstup, na
který lze připojit přesný normálový kmitočet (např. 10 MHz, 100
MHz) externího oscilátoru, který může být synchronizován přesným
kmitočtovým normálem (např.
oscilátor GPS DO).
Chyby měření
Chyby měření mohou mít u
přímoukazujících měřičů kmitočtu různý charakter a celou řadu
příčin. Pokusíme se některé předpokládat s ohledem na použité
funkční bloky čítače. Blokové schéma univerzálního čítače je dole
na druhém obrázku.
1. Ovládací hradlo sem tam nepustí
nějaký impuls do čítacích dekád. Jedná se o aditivní chybu. 2.
Řídící jednotka neřídí hradlo přesně. Nastane situace - viz
předchozí bod. S takovou chybou jsem se setkal u některých
amatérských konstrukcí. 3. Řídící jednotka nepracuje se správným
časovým intervalem. Častou příčinou je nepřesnost zdroje časových
intervalů (zdroj kmitočtů, časová základna). Tato chyba je
nepříjemná, protože má multiplikativní charakter.
Příklad:
oscilátor časové základny má jmenovitý kmitočet 10 MHz, ale jeho
krystalem řízený oscilátor "ujel o 10 Hz", tj. kmitá na
9.999990 MHz. Na kmitočtu 1000 MHz už
měříme kmitočet s chybou 1 kHz a na kmitočtu 10 GHz již měříme s
chybou 10 kHz, protože naměříme 9999.990 MHz. Předpokládejme, že si takovou přesností nastavíme
oscilátor přijímače pro příjem signálů s programem WSJT-X, který
na obrazovce zobrazuje
kmitočtové spektrum široké jen 2.5 kHz. Nastavili bychom s takovým měřičem
kmitočet mnohonásobně mimo rozsah přijímače.
Jinými slovy:
Multiplikativní koeficient v uvedeném příkladu je 9.99999/10 =
0.999999. Pokud
zanedbáme aditivní chybu, kterou dělá vstupní jednotka a hradlo
(mohou se tam ztrácet impulsy), či řídící jednotka,
zjistíme, že čítač by měřil poměr kmitočtů (kmitočtu na vstupu a
kmitočtu časové základny).
Univerzální čítače umí měřit
několik veličin, kmitočet, poměr dvou kmitočtů, délku periody, či
délku časového intervalu. Veličiny lze nastavit ze vstupu řídící
jednotky.
|
 |
|
 |
|
 |
|
|
|
|
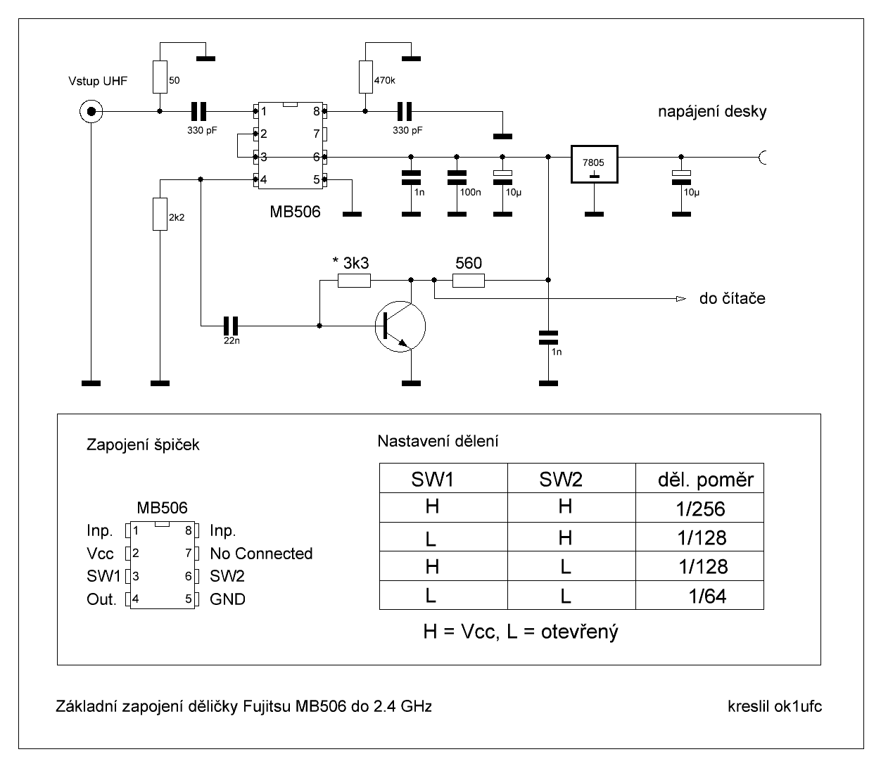
O multiplikativním charakteru chyby přímého měřiče kmitočtu jsem
hovořil. V případě, že takový měřič vybavíme předděličem
(prescaler), ve kterém dělíme vstupní kmitočet např. číslem 256,
zvyšujeme multiplikativní koeficient čítače 256 x a odchylka
zobrazené hodnoty měřeného kmitočtu bude také 256 x vyšší. V mnoha
přístrojích jsem použil vynikající děličku kmitočtu Fujitsu MB
506. Vyrábí se v pouzdrech DIL i SMD, napájí se Vcc = 5V, pracuje
do 2400 MHz a vstup je slušně přizpůsobený impedanci 50 Ohmů.
Měřič kmitočtu jsem připojoval za tuto děličku. |
|
 |
|
|
Ne vždy nám přímé měření kmitočtu umožňuje vstupní citlivost
předěličky. Můj univerzální čítač, který mám v dílně, je vybaven
více vstupními jednotkami. Moje oblíbená jednotka pro UHF pásma
vypadá takto: |
|
 |
|
Před vstupní děličkou je širokopásmový předzesilovač. K děličce je
přizpůsoben třídecibelovým PI článkem. Na vstupu předzesilovače je
skokově nastavitelný atenuátor. Zapojení předzesilovače a
atenuátoru mi umožňuje měřit kmitočty v širokém rozmezí úrovní.
|
|
Poznámky
1. Některé levné
desky přímoukazujících měřičů kmitočtů mají vyveden vstup pro
použití vnějších kmitočtových normálů, které mohou značně snížit
multiplikativní koeficient chyby měření. 2. Měřič FC-1200 z
fotografie nahoře ukazuje hodnotu 99.9999 MHz. Je měřen kmitočet
GPS DO oscilátoru 100.000000 MHz. A to je důvod, proč jsem ten
čítač ještě nevyhodil (multiplikativní chybu umím u mnoha měření
korigovat). Použitý TCXO v čítači není až tak špatný a
pro orientační měření vyhovuje. Co není u tohoto přístroje dobré?
Nejsou dobré vstupní obvody a tak musíme být vždy ve střehu a
ověřovat si měřicí metodu, abychom měřili věrohodně. V případě
tohoto přístroje však mohu předvést vliv jeho obou dvou chyb, i té
aditivní.
Proto je
další článek o zjištění kmitočtového rozsahu, ve kterém tento kus
čítače FC-1200 něco přesně měří. 3. Kmitočty se měří
různými metodami. S radostí zde uvádím
odkaz na web pana
Doc. Ing. Michala Horevaje, CSc.a na jeho
konkrétní stránku
věnovanou měření kmitočtu.
|
|
|