OK1UFC, České Budějovice, JN78fx, aktualizace 11.11.2017

 
Nízkošumový předzesilovač (LNA) pro pásmo 23 cm s tranzistory SiGe, 2 stupně, vysoký zisk

Dva prototypy LNA jsem zrealizoval v letošním létě (2017), a to po překvapivě dobrých předchozích zkušenostech s jednostupňovým LNA pro pásmo 70 cm.

Úvahy kolem šumového čísla

Polovodiče SiGe tzv. 7. generace od firmy Infineon patří k pozoruhodným součástkám a jsou vhodné ke konstrukci nízkošumových předzesilovačů (LNA) kategorie "Ultra Low Noise. Podrobnosti a kategorizaci si přečtete v tomto dokumentu. Kategorizace je na str. 2.
V prototypu jsem použil tranzistory BFP760 (cena kolem 10 Kč/ks), datasheet je zde.
V pásmu 23 cm jsem s nimi dosáhl šumového čísla NF=0.5 dB, což je lepší výsledek, než např. s oblíbeným obvodem PGA-103+

Abych této hodnoty dosáhl, uvažoval jsem následujícím způsobem. Vyšel jsem z diagramu - viz datasheet, Figure 5-19. Spodní dvě čáry uvádějí minimální NF, kterého výrobce dosáhl na tzv. vývojové desce a na kmitočtech 0.9 GHz a 1.8 GHz. Hodnoty NF se pohybují nad NF=0.4 dB pro proud Ic kolem 5 mA.


Důležitá je vstupní impedance tranzistoru a oblast, ve které se nachází tzv. oblast minimálního šumového čísla. Pro kmitočty mezi 0.9 a 1.8 GHz jsem červenými oválky zakroužkoval na obrázku Figure 5-16 oblasti pro proudy Ic = 10 mA a 30 mA. Pro vyšší kmitočty je to jinak.

Pro další návrh prvního stupně jsem se rozhodl přizpůsobit vstup zesilovače, který tvoří SMA konektor, délky plošných spojů, indukčnosti přívodů MW relé typu HF 3 56 (TE-Connectivity), kapacita společné plošky spojů relé pro RX a TX, vstupní ATC čip (kapacita a indukčnost, bez ekvivalentního odporu).

Tuto úvahu jsem zakreslil i s náhradním schématem do Smith. diagramu na obrázku níže:

Z naznačeného řešení plyne, že vstup polovodiče by měl být s použitými hodnotami kapacit, včetně ATC čipu (můj byl typu ATC 100B, hodnota je C=2.0 pF) a s indukčnostmi relé, spojů, parazitními kapacitami se dostávám do impedanční oblasti nejnižšího dosažitelného NF pro proud kolektoru Ic. S jinými High Q kapacitními MLCC jsem zesilovač nezkoušel.
 
Realizace

LNA jsem zrealizoval na desce PCB z kuprextitu FR4 o rozměrech asi 89x66 mm. Rozměr byl dán plechovou krabičkou z pocínovaného plechu, kterou jsem zrovna koupil v GM-elektroniku. Místa je v krabičce habaděj. Jenže se mi nechtělo dělat se s malou krabičkou pro dva prototypy. Anténní SMA konektor je nahoře, SMA zásuvky pro kabely k RX a TX jsou dole. Konektory jsem k plechu krabičky připájel za přírubu. Nejjednodušší je navléci na střední vodič konektoru kus teflonového dielektrika z koaxiálu. Do plechu vyvrtat díru tak, aby šel prostrčit konektor s tou izolací a držel tam. Tím je konektor na díře vystředěn a izolován. K plechu konektor připájíme hrotem letovačky (dávám vyšší teplotu hrotu, klidně 450°C), konektor na cínu neujede, po prohřátí těla se cín hezky rozleje. Po vychladnutí sundáme z vodiče teflon. trubičku, konektor je připraven k pájení na PCB. Napájení 13.5V je vyvedeno samostatně, dírkou skrz krabičku. Napájení přivádím kabelem RG-174. Jde o standardní provedení těchto přístrojů v mých UHF Small projektech:
  

 
Schémata

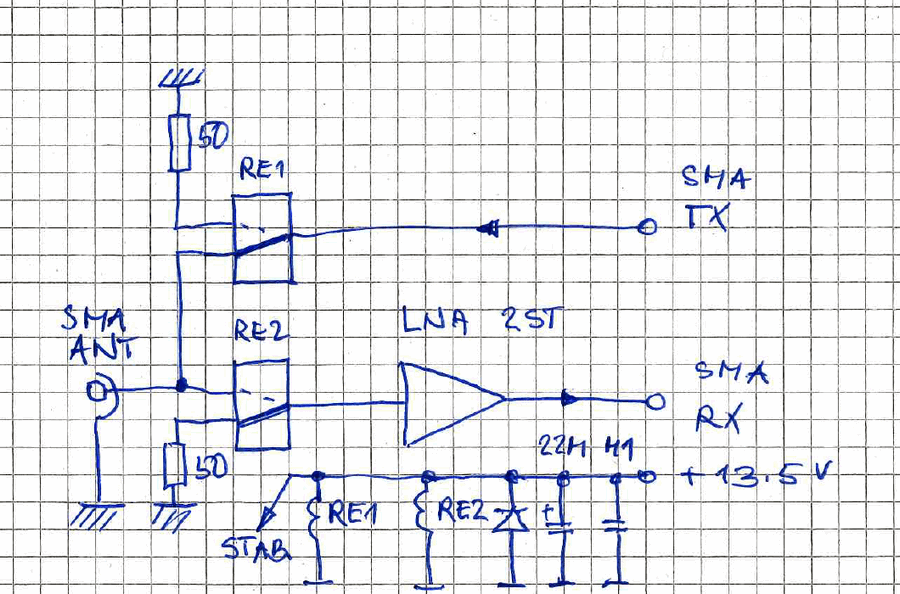
Blokové schéma zesilovače a obou relé je zde:

Ve stavu "bez napětí" propojuje horní relé anténu s TX výstupem. Po přivedení napájecího napětí se obě relé přepnou. Vstup LNA je odpojen od rezistoru 50 Ohmů a je připojen k anténě. Výstup z TX je připojen z konektoru na rezistor 50 Ohmů.

Napájení LNA je vyřešeno pomocí stabilizátoru LE33. Jde o lineární stabilizátor v SMD provedení, který se vyznačuje nízkým vlastním šumem, vysokým potlačením rušení a zvlnění ze vstupu a vynikající stabilitou. Poskytuje napětí o velikosti U=3.3 V pro napájení obou stupňů LNA.

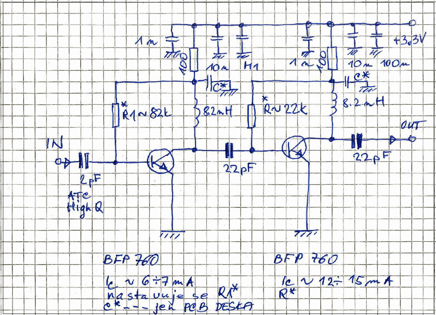
Vlastní schéma dvoustupňového předzesilovače je zde:

Protože byl vstupní obvod optimalizován s ohledem na zapojení tzv. vývojové desky a uvedené hodnoty součástky, je vhodné pro dosažení minimálního NF volit pracovní bod tak, aby bylo docíleno přizpůsobení na minimální NF. U mých prototypů se takové nastavení nepatrně lišilo od výše uvedené teorie a minimálního NF jsem dosahoval při proudech Ic = 6 - 7 mA. Tomu odpovídal rezistor R1 o velikosti asi 82kOhmů. Vstupní kapacitní čip je ATC. U druhého stupně jsem zvolil vyšší proud Ic. Cílem zde nebyla minimalizace šumového čísla, ale lepší linearita. Proud Ic=15 mA byl dosažen rezistorem R=22 kOhmů.

Blokovací kapacity

Poblíž rezistorů 100 Ohmů z kolektoru na napájecí plošku 3.3V jsou blokovací kapacity (1n). Výstup stabilizátoru je třeba ještě blokovat keramickým kondenzátorem 10M. To je kvůli potlačení rušivých napětí. Neškodí použít paralelní hodnoty kapacit, např. 1n, 10n a 100n.

Indukčnosti v kolektorech

Obvod kolektoru byl u jednoho prototypu řešen indukčností SMD o hodnotě asi 8 nH, velikost 0402, s ferit. jádrem a délkou spoje. Kapacita na konci induktoru (proti zemi) byla vytvořena ploškou na desce. Nebylo třeba přidávat žádný blokovací čip (řádu jednotek pF). Za induktorem je zapojen ještě rezistor R=100 Ohmů, jeho druhý konec je na plošce s napětím 3.3V a napájení je blokováno kapacitami u každého napájecího odporu.

U druhého prototypu jsem nepoužil induktory Johanson o hodnotě 8nH, ale spoj vytvořený přímo na desce.

Polovodiče mají vysoký tranzitní kmitočet. Na pásmu 23 cm pak obrovský zisk. Při určitém nastavení byste snadno dosáhli hodnoty zesílení přes 25 dB na stupeň. To by představovalo u 2 stupňového zesilovače potíže se stabilitou. Hodnota a provedení indukčnosti v kolektorovém obvodě každého stupně má na stabilitu vliv. Nezkoušel jsem vinutou indukčnost z CuL drátku. Zesilovač byl zkoušen jen z tzv. nízkojakostními induktory (Low Q) a na desce bylo proto počítáno i s osazením kapacit označených C * ... Nevidím důvod realizovat LNA s vysokým ziskem (celkově přes 30 dB-35 dB na oba stupně).

Takto provedený zesilovač byl vždy stabilní.

Poznámka: V datasheetech a dokumentech Infineon (viz výše ke stažení) jsou také uváděna zapojení s mnohem větším počtem pasivních součástí zesilovače. U vyšších generací SiGe-C tranzistorů výrobce však velice zjednodušil obvody zesilovačů a snížil počet pasivních součástí. Já jsem realizoval velmi jednoduchá zapojení. U těch zapojení jsem však na bastldesce dociloval zpravidla lepších hodnot šumových čísel, než u složitějších vstupních obvodů s Bias indukčností v bázi a jejím blokováním na druhém konci.
 

Desky PCB
 
Oba tvary desky (s ploškami pro L = 8nH/velikost 0402) a s indukčnostmi na PCB jsou vidět zde:
   
Prokovení
 
Desky prototypů nebyly vyrobeny s prokovenými otvory. Jde o tzv. vidláckou konstrukci, kde prokovení je provedeno prošitím tenkým Cu lankem skrz díry o průměru 0.8 mm. Lanko se na jednom konci ocínuje, tímto koncem se prostrčí tak, aby zůstal na desce jen kousek dlouhý asi 3 mm. Ten konec se přiletuje k mědi, lankem se šije skrz všechny díry z jedné strany desky na druhou a potom se to celé proletuje na obou stranách Cu. 
 
Osazení desky součástkami
je na obrázku vlevo dole a fotka LNA v krabičce z pocínovaného plechu je vpravo dole.
   
   

Závěry

1. U LNA bylo dosaženo šumových čísel nižších než NF = 0.5 dB na kmitočtu 1296 MHz. Takové hodnoty jsem nedocílil u obvodu s PGA-103+ (tam bylo nejlepší NF asi 0.8 dB a poměrně malý zisk jen jednostupňového LNA.
 
2. LNA se nehodí do závodů, protože má velký zisk, dva stupně a žádnou selektivitu na vstupu. Krásně však poslouchá silné EME stanice na maličkou šroubovici s pouhými 5 závity.
 
3. Zisk každého stupně byl snížen řešením kolektorových obvodů, low Q indukčností a rezistorem s poměrně nízkou hodnotou. Přestože je vyšší než 30 dB, byl zesilovač stabilní i bez instalace do plechového boxu.
 
4. Vyšší zisk jsem potřeboval kvůli koaxiálu, který mi vede z hamovny na balkón. Koaxiál je tenký a dlouhý. To není pro EME optimální. Těsně před TCVRem mám nyní "hairpin" filter na PCB, který má průchozí útlum asi 6 dB. Filtr omezuje signály 2.4 GHz z různých zařízení a také silné signály ze 70 cm pásma.
 
5. Od konektoru TX (SMA) k relé vede uvnitř krabičky kus koaxiálního kabelu "semirigid".
 
6. Skrz relé HF 3 56 jsem prohnal asi 100 W výkonu z PA. Nepozoroval jsem ani vysoký odraz a nezaznamenal jsem ani oteplení. Pravděpodobně na kmitočtu 1296 MHz toto relé spolehlivě uvedený výkon přenáší, i když podle datasheetu je určené maximálně na poloviční výkon. Bohužel, relátka HF 3 56 nemám. U prototypu na fotce vidíte, že jedno bylo vyrobeno v ČR, druhé v Portugalsku. Snad se na trhu opět objeví, je na nich založen můj projekt malých stanic, hi. Neumím je jednoduše nahradit.
 
7. Napájení LNA je samostatné. Již od konceptu UHF EME Small station nepoužívám napájení po koaxiálu. Polovodiče LNA jsou citlivé na zničení "zezadu", ke kterému dojde při vyšších vazebních kapacitách konektoru. Náboj, který projde skrz vazební kondenzátor po připojení stejnosměrného napětí, občas zničí polovodič. Proto používám samostatně přivedené napájení pro LNA tenkým koaxiálem RG-174.

8. Použité polovodiče jsou s viditelnými vývody. To je pro vidláckou konstrukci výborné. Obtížné je pájení malých SMD součástí. Proto jsem u druhého prototypu opustil indukčnosti velikosti 0402. Všchny použité pasivní součásti jsou velikosti 1206.

9. Vstup stabilizátoru LE33 je blokován kapacitami 1n, 10n a M1. Na fotografii vidíte i elektrolytický modrý axiální kondenzátor 22 M. Mám jich zásobu. Deska navržena i na tantalový nebo keramický kondenzátor. Paralelně se vstupem LE33 jsou zapojena vinutí obou relé a antiparalelní křemíková dioda. Napájecí napětí je k oběma relé rozvedeno po druhé straně desky PCB drátem.

10. Nechtělo se mi hledat s průchodkami. Proto jsem žílu napájecího koaxiálu prostrčil dírou v plechu krabičky a připájel na vstupní vedení ke stabilizátoru. Plášť koaxiálu je připájem ke krabičce z venku. Na druhém konci kabelu mám konektor DB9 (Canon), aby zesilovač byl kompatibilní s kabeláží UHF Small station. Kabel je zajištěn proti utržení. Je to vidlácké, ale funkční.
 
Příjem EME

Samozřejmě, že jsem byl extrémně zvědavý, zda budu dekódovat příjem signálů JT-65 EME s tímto LNA a s maličkými anténami pro 23 cm.

Anténa 1

Jako první anténu jsem upravil originální, asi 2m dlouhou yagi F9FT. Tato anténa mi byla dodána se zářičem, který byl zalit v jeden celek s koaxiálním napáječem. Délka napáječe byla volena tak, aby bylo možné antény řadit do soustav. Úprava spočívala ve zkrácení napáječe na maximální možnou míru. S ohledem na velký průměr kabelu jsem musel použít originální kabelovou zásuvku typu "N". Aby šla tato zásuvka namontovat, musí být kabel několik cm dlouhý. Viz fotografie vpravo. Protože jsem LNA vybavil na anténním vstupu konektorem SMA, byl ještě mezi anténou a LNA použit N to SMA adaptér. A na něm visela krabička s LNA.

Anténa 2

Jako druhou anténu jsem použil anténu typu helical s 5 závity a reflektorem z kuprextitu. Je na fotografii dole. LNA je našroubován přímo na konektoru SMA.

Opět jsem si dokázal, že byť menší anténa, ale bez napáječe a bez konektorů, tedy anténa č. 2 mi dala o celé 3 dB lepší reporty při příjmu se stejným LNA, stejným TCVRem, stejným SW WSJT-4.
 

 
Snad poslední komentáře k tématu ...
 
1. Říká se, že vlastní zkušenost je nejcennější. Já si právě teď ověřil, že při příjmu slabých signálů (a to signály EME jsou), je rozhodující nízké šumové číslo přijímacího setupu. Jakékoliv pasivní součásti, které způsobí v přijímací cestě nežádoucí útlum, byť jen v desetinkách dB, šumové číslo, tedy schopnost přijímat slabé signály, mají na příjem vliv. Mnohem delší, lepší a úzkopásmová anténa, kterou F9FT Yagi bezesporu je (anténa 1) se stejným setupem dekódovala JT65 signály o několik dB hůř, než krátká, neoptimalizovaná anténa s nepatrným ziskem, jako byla použitá šroubovice (anténa 2). Rozdíl si vysvětluji jen a pouze tím, co vidíte (nebo nevidíte) na obou posledních fotografiích. U antény F9FT (ant. 1) je mezi zářičem a LNA kus koaxiálu, rozměrný konektor N, adaptér na SMA, SMA konektor LNA, anténní relé HF356, indukčnosti spojů na PCB a jeden čip ATC. U antény helical (ant. 2) je provedeno přizpůsobení indukčností šroubovice a kapacitou proti reflektoru. Následuje SMA female na anténě, SMA konektor LNA a dál už je vše stejné.

2. Na anténu helical lze pouze přijímat. Pro experimentální spojení mě láká vyrobit druhou šroubovici s opačnou polarizací. A opět budu otravovat silné EME big gun s velkými parabolickými anténami, abych si ověřil, jak malý výkon mám zvolit, abych spojení realizoval. Je to riziko. Chtěl bych realizovat opravdové QRPP spojení, ale čas je jenom jeden. Pokud zvolím výkon vysílače příliš vysoko, nikdy se nedozvím, kolik Wattů ERP pro takové spojení stačí.

3. Přestože mám LNA se 2 relé, pro pokus EME se šroubovicemi by se víc hodil prototyp LNA bez relé, protože PA bude připojen do druhé šroubovice.

4. Anténa č. 2 (5 turns helical) je moje nejmenší anténa, na kterou jsem EME signály slyšel.

5. Základní směrové vlastnosti antén orientačně ověřuji s využitím majáku Kleť. Slyším ho na 1296.972 MHz. Maják je velice silný. Pokud připojím v hamovně v prvním patře helical s LNA, vyskočí mi S-metr na S9+20 dB. Abych zjistil venku alespoň úhel hlavního laloku antény, musím použít mezi TCVRem a LNA atenuátor.

2017.10.02: Zisk dvoustupňového LNA byl pro použití u mé stanice s krátkým koaxiálem nepřiměřený, až nepoužitelný. LNA jsem proto vyzkoušel v zapojení jen s jedním stupněm. Úpravu jsem provedl následovně:
- odstranil jsem druhý tranzistor, tlumivku v kolektoru, odpor v kolektoru a odpor v bázi
- propojil jsem malým drátěným obloučkem pájecí plošku pro bázi a pro kolektor druhého tranzistoru
Zisk LNA byl po úpravách i tak poměrně vysoký (přes 20 dB). Šumové číslo předzesilovače se nepatrně, spíš nevýznamně vylepšilo (z cca 0.48 dB na 0.46 dB), což nemusí být vlivem zesilovače, ale vlivem chyb měření. LNA a relé by mohl být vestavěn do poloviční krabičky z pocínovaného plechu. Za úvahu stojí použití jediného anténního relé typu HF 3-56. Proto příležitostně přepracuji desku s plošným spojem a zde ji uvedu.

2017.11.11: Desku PCB pro jednostupňový LNA jsem vyrobil. Osadil jsem ji již jen jediným relé. Tento LNA jsem přepracoval pro použití krabičky z pocínovaného plechu o rozměrech 67 x 46 mm, i tak je v ní dost místa. Poloha anténního konektoru a relé je stejná, jako u zesilovače ULNA s polovodičem HJ FET. LNA s jedním stupněm jsem popsal v samostatném článku

Zesilovač mě opravdu mile překvapil nízkým šumovým číslem, vysokým ziskem, stabilitou a opravdu jednoduchou konstrukcí. Nechal jsem se zlákat a vyrobil jsem také verzi pro pásmo 70 cm. Ta se liší od pásma 23 cm vyššími hodnotami indukčnosti L1 a kapacit C1 a C2.

 

TU 73, Mira, ok1ufc