|
Úvod
Čipy PICAXE používám v těchto typických rolích:
1. V aplikaci DO a TM čipy převádějí informační bajty z komunikačního
protokolu RS-232 na logické úrovně pinů.
2. V aplikaci DO a TM čipy převádějí logické hodnoty na pinech do
sériového komunikačního protokolu RS-232.
3. V aplikaci DO a TM čipy převádějí analogové hodnoty na pinech (zákl.
rozsah je např. 0 až 5V) analogově digitálních převodníků (ADC) na bajt
nebo slovo (2 bajty) a takto digitalizovanou informaci přenášejí do
sériového komunikačního protokolu RS-232.
4. V aplikaci DO a TM čipy převádějí číslicovou hodnotu z jednodrátové
sběrnice (např. teplotní a jiná čidla) do sériového komunikačního
protokolu RS-232.
Výstupní piny čipů PICAXE
Výstupní piny čipů PICAXE lze použít ke spínání různých obvodů. Obecně
platí, že jeden výstupní pin lze zatížit proudem do 20 mA a čip by měl být
zatěžován maximálním odběrem proudu do 90 mA:
|
 |
Spínání velkých výstupních výkonů
Pokud potřebujeme spínat proudy jednotek až desítek ampér, případně
obvody v síti nn, lze využít solid state relay (SSR). SSR se vyrábějí
od nejmenších typů, vhodných pro povrchovou montáž, až po větší typy,
které jsou určené k montáži na chladič. Na obrázku vpravo je výkres
SSR s uvedenými rozměry od firmy
Cosmo. Relé typu COSMO_SSR_KSD210AC8, které jsem vybral pro tento
příklad, je určené pro spínání proudů do 10 A a pro napětí do 250 V
AC. Výstupní obvod je osazen triakem. K rozpínání dochází při průchodu
proudu nulou. Relé má vstupní část. Ta je oddělena od výstupu
galvanicky, s elektrickou pevností 4 kV. Vstupní část je tvořena
obvodem z LED diody a rezistoru. K sepnutí relé dochází při napětí od
4 do 32 V. Rozhodující je proud, který teče LED. Ten se pohybuje od
cca 5 mA do 12 mA. Jeden čip PICAXE typ 20M2, který rád používám pro
ovládání spínačů, je schpen spínat 8 ks SSR uvedeného typu.
Existují však SSR, která nemají rezistor ve vstupní části. Např.
některé typy OMRON. O řízení těchto relé se dočtete např. v materiálu
firmy GM Elektronik. Katalog. list takového
SSR uvádím zde. SSR bez vstupního
rezistoru musí spnout při proudu max. 7 mA. Rozepnuté musí být při
proudech menších, než 1 mA. |
 |
Na obrázku vpravo je schéma zapojení SSR Cosmo.
|
 |
Spínání malých relé
Ne vždy potřebujeme spínat proudy v rozvodné síti, ale ovládat malá
relé nebo vysokofrekvenční (mikrovlnná) relé.
Doporučené zapojení takového obvodu od výrobce čipů PICAXE je uvedené
ve třetím manuálu (je ke stažení na
www.picaxe.com) a lze ho stáhnout
také zde.
Já používám úspěšně mnoho let zjednodušené zapojení. Jako spínací
MOSfety používám typ IRML2502 a pro velké
proudy typ IRF 540 v provedení pouzdra
D2PAK.
IRML2502 je v pouzdře SOT-23 (maličké SMT provedení). Hexfet má v
sepnutém stavu rezistenci jen 0.045 Ohmu a je schopen v sepnutém stavu
pracovat s proudem přes 3 A.
IRF 540 má stejnou hodnotu rezistence v otevřeném stavu a je
schopen pracovat s proudem přes 30 A.
Oba typy polovodičů mají mezi elektrodami S a D diodu. Pro spínání
malých relé ve svých zapojeních nepoužívám rezistor 10 k na vstupu a
ani polovodičovou diodu 1N4001.
Na obrázcích dole jsou (vlevo) vidět hexfety IRML2505 na straně
spojů a malá automobilová relé HF3FD (vpravo).
Pozn.: Jde o prototyp desky, který je obsazen šuplíkovým čipem
14M2, ale deska je navržena pro můj "zavedený" 20M2. |
 |
|
|
|
 |
 |
|
|
|
|
 |
 |
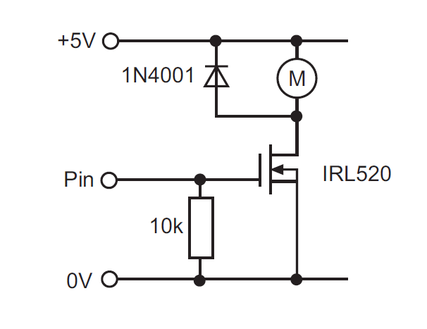
Podobně, jako malá relé, lze pomocí hexfet spínat stejnosměrné malé
motory. Vpravo nahoře je doporučené zapojení. Opět platí, že pro
motory s větším odběrem je nutné oddělit napájení motorů (proudy
několik A) od napájení čipů. Země musí být společné.
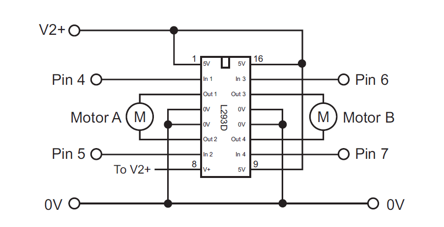
Pokud potřebujeme měnit směr otáčení malých ss motorů, můžeme použít
speciálního obvodu L293B. |
 |
|
Čipy PICAXE mají SW vybavení, které umožňuje jednoduše řídit
modelářské servo. Opět doporučuji já i výrobce čipů použít oodělený
zdroj (pro serva odběr několik A a vyšší napětí), ale nezapomenout
dobře vyřešit společnou zem (obrázek vpravo). |
 |
Jiné typy výstupů
U čipů PICAXE řady X2 lze využívat DA převodu. To znamená, že na
výstupu lze nastavit výstupní napětí přibližně v rozsahu napájecího
napětí, ale pouze v 32 úrovních. Tedy krok je vyšší než 0.15 V. |
|
|
|