OK1UFC
 
    Čipy PICAXE a jejich vstupy (HW pohled)

Poslední aktualizace v srpnu 2020    

  
  
Úvod

Čipy PICAXE používám v oblasti telemetrie ke zjišťování celé řady stavů a k měření různých hodnot.

   Vstupní piny čipů PICAXE

Vstupní piny čipů (mikrokontrolérů) PICAXE lze zatěžovat napětím, jehož hodnota nepřesahuje velikost napájecího napětí. Typické vstupní signály jsou znázorněné na níže uvedeném obrázku:

 
Poznámka: Přestože se můžeme domnívat, že designéři a autoři mikrokontrolérů se zaměřili z edukativních důvodů na populární robotické disciplíny a ve svém manuálu zdůraznili využití čipů pro práci se signály z infračidel, fotoodporů, spínačů a mikrofonů, nijak neošidili možnosti mikrokontrolérů pro využití v telemetrii. Proto jsem si dovolil původní schéma použití podstatně rozšířit o neopomenutelné a důležité funkcionality vstupních obvodů.

  Použití vstupů PICAXE

1. Čipy jsou schopné komunikovat po sériové lince RS-232. Po této lince jsme je schopni na dálku řídit a například jim dávat povely, aby provedli měření hodnoty na převodníku a poslali nám ji tam, kde ji potřebujeme zpracovat a zobrazit.

2. Potřebujeme měřit analogové veličiny. Čipy mají ADC převodníky. Zejména 8 bitové využití (255 úrovní) je neskutečně jednoduché a v mnoha případech s ním vystačíme.

3. Rovněž jednoduché je čítání počtu pulzů na vstupu mikrokontroléru. To nám výborně poslouží např. s VFC převodníkem (napětí na kmitočet), který lze technologicky snadno realizovat s linearitou ve zlomcích procent (např. 0.01%) a čítat pulsy v rámci jednoho slova (dvou bajtů) a rozlišit tak přes 65 tis. úrovňových hladin).

4. PICAXE umí pracovat s některými čidly (s digitálním výstupem na jednodrátové sběrnici Dallas). Používá se často u teploměrů.

5. Nezapomínejme na binární signály. Tj. výstupy různých kontaktů, snímačů polohy, atd.

Na obrázcích níže uvádím příklady ze základního manuálu picaxe. Manuál je samozřejmě v aktuálním vydání na stránkách www.picaxe.com.
 

 

 

  
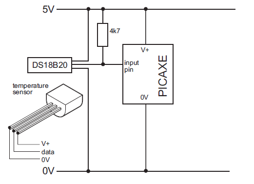
   Příklad zapojení teplotního čidla DS18B20


Čidlo DS18B20 je drobná součástka v pouzdře se třemi vývody. Lze ji napájet ze společného zdroje, kterým je napájen též mikrokontrolér PICAXE. Datová komunikace mezi čidlem a kontrolérem probíhá po jediném vodiči. Příklad jsem do článku zařadil proto, abych demonstroval, jak jednoduchá bývají z pohledu HW rešení obvodová zapojení.

   Závěr

V tomto článku jsem vynechal celou oblast různých řešení, která lze s mikrokontroléry PICAXE také elegantně realizovat. Např. možnost komunikace s externím mnohokanálovým ADC převodníkem pomocí sběrnice I2C (umožňují typy PICAXE generace X2). Nicméně základní zapojení vstupů, která v telemetrii používám jsem v tomto článku uvedl.

V dalších článcích se budu věnovat podrobnému popisu jednoduchého a spolehlivého programového vybavení, pomocí kterého lze popsané funkcionality obsluhovat a využívat.

 
V minulé minipublikaci (Cvičení z radiotechniky)  jsem dříve popsal jeden z  úvodních příkladů
   
 

 

   TU 73, Mira, ok1ufc