další info     >>>> O anténách       Kontakt

    
 

Symetrizace pomocí reaktančních prvků


Úvod

Konstrukcím HF balunů bylo na Internetu, v časopisech pro hamy i na pásmech věnováno hodně pozornosti i hodně času. Mimo konkrétních provedení balunů nalezneme i několik dobrých a několik zavádějících popisů konstrukce. Protože se na webu zaměřuji nikoliv na návody, ale na objasnění důležitých principů, začal jsem psát související a provázané články k tomuto tématu. O důsledcích na vyzařování antény píšu například zde. Další článek je věnován zejména první základní roli balunu, tj. roli symetrizovat, tedy izolovat neuzemněnou část anténního systému od země. Schémata zapojení základních druhů balunů jsou zde. Protože jsem v těchto článcích již dříve uvedl způsob izolace symetrické části od nesymetrické pomocí HF transformátoru s tzv. elektrostatickým stíněním symetrické části, měl bych pro úplnost rovněž uvést druhý základní způsob symetrizace pomocí reaktančních prvků.

Symetrizace anténního systému pomocí reaktančních prvků - princip

Princip symetrizace s využitím reaktančních prvků je rozhodně mezi techniky znám možná 80 let. Nejsem historik, neberte mě za slovo, pokud se o nějaký týden či rok zmýlím, opravdu to není podstatné. Na následujícím obrázku popisuji princip:

V nesymetrické části je schématicky zakreslen uzemněný vysílač (generátor). V sérii s generátorem je nakreslen jeho vnitřní odpor (klikatá značka ve schématu). Dále je za generátorem červeně zakreslen obvod s reaktancemi. Aby to fungovalo, musí být na vstupu a na výstupu použity reaktance stejného řádu, jako odpor na vstupu a na výstupu obvodu. X je tedy reaktance se soustředěnými parametry a může být jak induktivní, tak kapacitní. Výstup z tohoto "balunu" musí být proveden symetrickým vedením proti zemi.

Proč jsem toto schéma uvedl? Důvodů je více. Stále jsou mezi námi hamové, kteří konstruují anténní tunery. Pro ty to znamená námět k principu, který je starý, ale není zapomenutý. Dalším důvodem je, že v literatuře a na pásmech často slyším, jak jsou mezi hamy často uváděny např. hodnoty  indukčností (v mikroHenry), které musí splňovat různá vinutí balunů, aby to nějak fungovalo. U svých balunů sice také uvádím hodnoty indukčností, ale to proto, aby se dalo jednoduchým měřením zjistit, zda je balun dříve ověřené konstrukce funkční nebo poškozený např. nárazem, pádem ze střechy, apod. Znovu se vrátím ke stránce "transformer.htm", kde jsem uvedl, jak lze jednoduše orientačně vyzkoušet, zda balun vůbec symetrizuje a také, jak používám při měření balunu dělenou a symetrickou zátěž, na které měřím napětí. Z hodnot naměřených napětí na reálném odporu zátěže lze velice jednoduše dopočítat reaktanci, včetně její kmitočtové závislosti, pomocí které balun plní svou první základní roli. S takovou hodnotou lze, na rozdíl od indukčnosti, konkrétně pracovat při řešení různých úloh. Lze zjistit, zda má tato reaktance pro použití s danou anténou významný vliv či nikoliv. Lze se samozřejmě dopočítat také plášťového rozdílového proudu, který nám poteče u stanice do země. Lze se ovšem také rozhodnout, zda například při konstrukci balunu neuplatníme několik kompenzačních reaktančních prvků, které nám jeho vlastnosti významně vylepší.

Na této stránce veřejně poděkuji autorovi za článek, který napsal známý ham Wippermann Wolfgang, DG0SA: Baluns richtig verstehen. Článek vyšel v CQ DL 6-2009 a je tam mnoho zajímavých postřehů, a také několik závěrů k výsledkům tzv. "Trenntestu", kde je zpravidla prostě a jednoduše napsáno "Fällt positiv aus" nebo "Fällt negativ aus" ...V článku jsou však uvedené také některé principy, které využívají k řešení první základní role balunu reaktancí, např. drei-draht balun nach DG0SA nebo T2FT balun podle Pottera. Doporučuji článek přečíst.

Příklad praktické realizace symetrizace skládaného dipólu pro 80 metrů pomocí reaktancí

Předpoklady:

1. Ramena skládaného dipólu končí na balkóně vedle hamovny a jeho impedance je Z = 200 + j0
2. Stanice má jmenovitou impedanci Z = 50 + j0, výstup je proveden nesymetricky a žádné rozumné uzemnění není k dispozici, pouze rozvod NN, přes který opravdu nechceme tahat energii vysílače a ani z něho přijímat naindukované rušící signály. Pečlivé vyvážení symetrické anténní soustavy je v tomto případě pro nás základní prioritou a cílem je, aby vyzařoval pokud možno pouze symetrický dipól.
3. Symetrizační člen je tvořen pouze soustředěnými reaktancemi, které jsou umístěné v anténní budce na balkóně.
4. Během vysílání měříme výstupní výkon (potřebujeme vysílat s vysokými výkony), odraženou vlnu (vyžadujeme dokonalé přizpůsobení) a proud, který nám uniká nedokonalostí symetrie do země tvořenou rozvodem NN.

Schéma (vysvětlováno je zleva doprava):

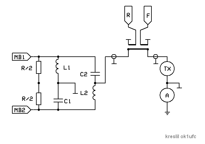
Úplně vlevo v červené ohrádce je nakreslena místo antény její umělá zátěž pro měření symetrie na svorkách. Je tvořena bezindukčními odpory o poloviční hodnotě, než je reálná složka impedance. Propojení středu antény je přeškrtnuto, protože není prakticky realizováno. Paralelně s anténou jsou připojeny dvě reaktance se soustředěnými parametry, konkrétně indukčnosti L1 a L2. Indukčnosti jsou v malém rozsahu proměnné. Aby měly reaktanci srovnatelnou s hodnotou R/2, byla použita hodnota L1=L2= cca 4.5 mikroH - viz Smithův diagram. Dále vpravo je nakreslena další reaktance (C1), pomocí které je oddělena uzemněná část vysílače TX. Protože TX je navržen s výstupní impedancí Z = 50 + j0, musíme pro dobrý přenos výkonu vykompenzovat jalovou složku soustavy, kterou nám vyrobily do obvodu zapojené reaktance L1, L2 a C1. Od toho je v zapojení kondenzátor C2. Všechny doposud jmenované součásti, namalované na schématu v anténních ohrádkách, jsou umístěné na balkóně v anténní budce. Mezi TX a anténní soustavou je ještě zapojena směrová odbočnice, která měří přímou a odraženou vlnu (tj. P a VSWR). Mezi zemnicí svorkou TX a zemí je na vodiči ještě nasunuta citlivá proudová sonda. Nulová hodnota proudu nám indikuje dobré vyvážení soustavy.

Jak se s tím dělá?

Hodnoty součástí můžeme stanovit přibližně pomocí Smithova diagramu (pro mě se to tak zdá nejjednodušší):

Navrhujeme v těchto krocích:

1. Provedeme normalizaci diagramu na Z=50+j0, to je malý zelený bod uprostřed (TP5).
2. Zakreslíme impedanci antény. V našem případě to je hranatý zelený bod DP1 pro Z=200+j0.
3. Začneme malovat od bodu DP1 indukčnost L1. Jedeme až do bodu DP2, který jsem zvýraznil kroužkem. V tomto bodě má reaktance L1 hodnotu asi 100 ohmů neboť kružnice L1 protnula čáru s reaktancí 100 Ohmů. Reaktance 100 Ohmů je srovnatelná (dokonce shodná) s polovinou impedance Z antény.
4. Namalujeme druhou indukčnost L2 tak, aby měla stejnou reaktanci, jako L1.
5. Namalujeme kapacitu C1 a kapacitu C2 tak, abychom se dostali do středu diagramu.

Indukčnosti L1 a L2 realizujeme jako proměnné a jejich nestejnou hodnotou kompenzujeme nesymetrii antény vůči zemi. Pomocí proměnných kapacit C1 a C2 provedeme dokonalé přizpůsobení, které na pracovním kmitočtu antény bude VSWR=1.

Uvedené zapojení v tomto případě plní obě role balunu. Symetrizuje a dokonce je schopné vykompenzovat určité nesymetrie antény. To se může hodit. A rovněž se stará o dobrý přenos výkonu z generátoru TX do antény. Impedanční přizpůsobení může být dokonalé. Protože bylo využito reaktancí, přizpůsobení není bezeztrátové. V článcích na mém webu však naleznete, jak se dá velikost ztrát řešit. Pro náš příklad jsem ve Smithově diagramu ještě zakreslil hnědočervenou kružnici s jakostí Q, která odpovídá match-loss ztrátám použitého obvodu.

Poznámky

I když možná tento princip v praxi nikdy nevyužijete, všimněte si několika důležitých detailů:

1. Střed antény byl "vyroben" pomocí reaktancí.
2. Pouze s pomocí reaktancí byla provedena symetrizace.
3. Výkon z generátoru TX byl vyveden pomocí souosého kabelu se jmenovitou impedancí stejnou, jako je vnitřní odpor generátoru TX.
4. Generátor TX může být uzemněn klidně i dokonalou zemí a přesto tam nepoteče HF proud.
5. Živá svorka generátoru (střed koaxiálu) je přímo připojená na jednu anténní svorku symetrické antény! Možná to není pro  vás obvyklé, že
6. Uzemnění nesymetrické soustavy není ani na konci koaxiálního kabelu připojeno přímo k žádné svorce symetrické anténní soustavy, ale je připojeno přes reaktanci C1 do umělého středu (společný bod L1 a L2).
7. Možná neznáte princip symetrizace pouze pomocí reaktancí a své přístroje (anténní tunery) konstruujete tak, abyste cestu plášťovým proudům po koaxiálu nikoliv znemožnili, ale naopak usnadnili. Věřte, že možná právě tam vznikají potíže QRM.

Některé z příštích témat bych rád věnoval důvtipnému využití reaktancí pro vylepšení první hlavní role balunu - schopnosti symetrizovat. Proto jsem si dovolil znovuzpracovat, popularizovat a s příkladem uvést tuto mezi hamy méně známou teoretickou nudu, kterou určitě znal můj děda před WWII, hi.

Příklad 2

Zadání je stejné, jako v příkladu č. 1. Kreslím již jen schéma bez komentářů a dovolím si upozornit na hodnoty prvků L1, L2 a C1 a C2, které pro daný příklad jsou L1=L2=4.6 mikroH a C1=C2=cca 455 pF. Ve schématu ještě upozorním na zemnicí body. V anténní budce je plášť koaxiálu propojen se středem reaktancí L1 a  C1, v generátoru je propojen s kostrou přístroje. Kostra stanice je uzemněná a na zemnicím vodiči je sonda ampérmetru:

 

Protože jsem se toho v životě napočítal na kalkulačkách a v různých spreadsheetech dost a na různé výpočty jsem si nadělal celou řadu programů, tak jsou věci, které nejraději řeším v moderním Smithchart software. Mám k tomu dva zásadní důvody. Nic nemusím počítat, výsledky vidím graficky, tj. hlavně v souvislostech a navíc mám výpočet zadokumentovaný.

Na dalších dvou obrázcích ještě uvedu Smithovy diagramy pomocí kterých jsou postupně řešeny hodnoty reaktancí. Všimněte si, že s prvky L2 a C2 "nejedu" do Z=50 + j0, ale dvou rozdílných hodnot reaktancí, které se vzájemně kompenzují právě v bodě Z=50 + j0. Také si všimněte, že pomocí jedné LC větve přizpůsobuje pouze R/2 (tj. jedu z bodu Z=100 + j0):

 

© 2014  Míra Šídlo, ok1ufc, datum poslední úpravy: 16. 10. 2014