|
|
|
další info
>>>> |
Obsah |
|
|
|
|
|
 |
|
|
|
|
Ladění antén Single Zeppelin,
Double Zeppelin nebo LW |
|
|
Všeobecně Všechny uvedené antény, tj. Single Zeppelin (SZ),
Double Zeppelin (DZ) i LW fundamental se vyznačují podobným principem
napájení, tj. napěťovým napájením v místě maximální kmitny napětí
(nulového nebo minimálního proudu). Znamená to, že anténa je napájena na
vysoké impedanci malým proudem.
Problémy s napájením a přizpůsobením
Zpravidla nám spoustu vrásek na čele dělá půlvlnná (fundamental) a na
konci napájená anténa LW. Nároky na napěťovou odolnost kondenzátorů v
tuneru je extrémní. Takto realizovaná soustava však není od země
izolovaná. Součást antény tvoří nejen půlvlnný zářič, ale také tuner a
jeho uzemnění, zpravidla však také staniční zem. Proto se často používají
další řešení. Anténní půlvlnný vodič lze instalovat dvakrát. Potom získáme
zářič antény Double Zeppelin, jehož délka odpovídá délce celé vlny,
impedance v místě napájení je vysoká, ale lze ji transformovat čtvrtvlnným
symetrickým vedením na impedance nízké a přitom zachovat anténní soustavu
jako neuzemněnou, od země izolovanou, s dokonalou symetrií. Půlvlnnou
anténu lze rovněž napájet symetrickým vedením na konci. Potom získáme
anténu vůči zemi nesymetrickou. Jeden vodič žebříčku nám tvoří kapacitu
proti zemi, druhý napájí anténu v místě vysoké impedance. Tato soustava
však není vůči zemi symetrická, přesto ji lze vyrobit jako izolovanou.
Co má vliv na ladění antény a s čím míváme problémy?
Jak jsem napsal v úvodu, impedance půlvlnné antény SZ nebo LW (rovněž
celovlnné DZ) je v místě napájení vysoká a my máme zpravidla málo
možností, jak tuto impedanci změnit, protože výšku antény volíme podle
požadavků na vyzařování antény a v okolí závěsných bodů se kapacitních
vlivů okolí antény, případně svodů přes izolátory zcela nevyvarujeme.
Udělejme si tedy alespoň jednoduchý rozbor transformace impedancí ve
Smithově diagramu.
Impedance půlvlnné antény v místě napájení (příklad 41 m dlouhé
antény na kmitočtu 3.550 kHz)
| Uvažujme, že zářič antény má v místě
napájení impedance od 5500 Ohmů do 8000 Ohmů. Pokud je zářič skutečně
půlvlnný a v rezonanci, pak v tabulce vpravo jsou body DP1 a DP2
krajní body uvažovaného intervalu. Pokud k anténě můžeme, dokážeme ji
budit volnou vazbou a měřit proud v zářiči (sondou) nebo naladit její
rezonanci pomocí GDO, zpravidla docílíme toho, že zářič bude mít
impedanci někde mezi DP1 a DP2. Pokud rezonanci zářiče nenajdeme, bude
se nám anténa chovat při napájení jako kapacita (např. body DP3 nebo
DP5), a to v případě, že je anténa krátká nebo se bude anténa chovat
jako indukčnost (např. body DP4 a DP6), a to v případě, že je anténa
dlouhá. |

|
|
Poznámka: Pokud jste instalovali anténu vyrobenou v dílně ok1ufc, má
vždy nepatrně delší zářič. Důvody jsou dva - zpravidla není při výrobě
přesně známa výška instalace a ani využití antény, tedy, zda bude
používána v segmentu CW na kraji pásma, případně zda nebude nutný určitý
kompromis při ladění na harmonických kmitočtech. Anténa je tedy vždy delší
a pokud bychom ji měřili na kraji pásma, bude vykazovat induktivní
charakter, tj. poměrně značnou kladnou jalovou složku jX. Impedance bude
tedy odpovídat spíš bodům DP4 a DP6 než DP1 a DP2.
| Smithův diagram -
viz obrázek vpravo Zakreslíme-li body
uvažovaných impedancí zářiče do Smithova diagramu, podotýkám, všechny
uvažované body z předchozí tabulky, tedy DP1 až DP6, budou v diagramu
od sebe nesnadno rozlišitelné, překrývají se v místě, kde je zelený
čtvereček na obrázku vpravo, ukazuje na ně zelená šipka.
Do Smithova diagramu si rovněž z menu programu
namalujeme alespoň 3 kružnice (modré). Uvnitř kruhů leží body, ve
kterých je poměr stojatých vln (VSWR) lepší než 1.2 (nejmenší kruh),
lepší než 2 (střední kruh) a lepší než 3 (největší kruh).
Poznámka: Uprostřed Smithova diagramu je bod
s impedancí Z = 50 + j0, tj. VSWR = 1 (dokonalé přizpůsobení ke
koaxiálnímu napáječi).
|
 |
| Nejlepší přizpůsobení
pouze pomocí vhodné délky žebříčku Našemu
zářiči s impedancí DP1 by vyhovovala pro nejlepší VSWR elektrická
délka žebříčku LL= 21.1 metru, VSWR bude cca 1.2 a impedance v
místě napájení bude Z = 59 Ohmů na f = 3.550 kHz. Pokud bude impedance
zářiče jiná (např. odpovídající DP2 až DP6), budou se impedance v bodě
napájení pohybovat mezi fialovými body kolem středu diagramu (body
jsou pospojované tlustou lomenou čárou). Toto řešíme v programu tak,
že z menu Extras zapneme funkci Sweep a zvolíme volbu Sweep over
datapoins. Program nám výsledné impedance vykreslí bezprostředně a
jednoduchým pohledem vidíme, jak na tom jsme.
Poznámka:
Antény typu Single Zeppelin a Double Zeppelin z
dílny ok1ufc jsou standardně vždy dodávané s žebříčkem PCV-570-84
větší délky. Důvodů je rovněž několik. Jednak ne vždy lze realizovat
fyzicky anténu s žebříčkem délky 1/4 lambda, vzdálenost je prostě
větší. Existuje však další důvod, a sice použitý tuner není schopen
ladit vysoké impedance antény na harmonických kmitočtech (např. na 7
MHz je žebříček půlvlnný, impedanci by netransformoval a byla by
vysoká). Větší délka LL žebříčku nám však může způsobit jiné
komplikace - viz další odstavec. |
 |
| Dlouhý žebříček -
obrázek vpravo Pokud je žebříček delší o 2
metry, probíhá transformace podle diagramu vpravo. Anténa vykazuje v
místě napájení induktivní charakter, poměr stojatých vln VSWR je již
vyšší než 3, impedance na svorkách jsou opět namalované jako fialové
body pospojované lomenou čárou, leží již mimo kruh VSWR=3 (nahoře,
napravo od něho)
|
 |
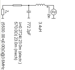
| Ladění antény s dlouhým
žebříčkem pomocí tuneru Automatický tuner
si s vyladěním impedancí řádu desítek až stovek ohmů, včetně desítek
jalových jX Ohmů poradí. V diagramu přibyl k zelenému oblouku žebříčku
ještě oblouk kapacity a indukčnosti tuneru. Poradí si s dlouhým
žebříčkem vestavěné tuneru v TRXu a manuální tunery? Vypočtěme tedy
hodnoty potřebné kapacity C a indukčnosti L. Možná budete překvapeni:

Potřebná kapacita C je 772 pF !!! (a
některé tunery mají C jen 250 nebo 500 pF), indukčnost je zpravidla
realizovatelná.
Poznámka: Dlouhý žebříček se nám
může hodit pro celou řadu aplikací, ale, jak vidíte, může být rovněž
na závadu a může být příčinou velice obtížného ladění. |
 |
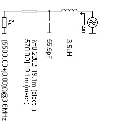
| Krátký žebříček -
obrázek vpravo Na obrázku vpravo byl do
Smithova diagramu zakreslen žebříček antény, který je o 2 metry
kratší. Anténa vykazuje v místě napájení kapacitní charakter pro
všechny vstupní body DP1 až DP6, tedy bez ohledu na to, zda byl zářič
krátký nebo dlouhý. Impedance na svorkách jsou rovněž nakreslené jako
fialové body pospojované lomenou fialovou čárou. Body jsou mimo kruh s
VSWR = 3. |
 |
| Ladění antény s krátkým
žebříčkem pomocí tuneru Automatický tuner
si s krátkým žebříčkem rovněž poradí. Pro jistotu vypočteme potřebné
hodnoty kapacit a indukčností L článku:

Všimněte si, že schéma tuneru je stále
stejné (L článek typu dolní propust, generátor je vpravo). Potřebná
indukčnost L má podobnou hodnotu, jako v předchozím případě (3.5
mikroH). Potřebná kapacita C je však 55.5 pF ! A to je hodnota
realizovatelná na většině vestavěných tunerech, případně na manuálně
laděných tunerech.
|
 |
| Závěry
Realizace i tak jednoduchých antén, jako je Single
Zeppelin nebo Double Zeppelin by měla být prováděna s uplatněním obou
základních měřicích metod.
1. A to snahou o naladění zářiče bez napáječe do
rezonance alespoň na kmitočtu fundamental, tj. měla by se nastavit
geometrická délka zářiče (délka kolem 41 metrů) tak, aby při velice
volné vazbě s anténou nám analyzátor indikoval rezonanci nebo aby byla
rezonance zjevná na požadovaném kmitočtu pomocí GDO.
2. Nalezením impedance při základním kmitočtu (v
příkladu jsem to řešil na kmitočtu 3.550 kHz) na svorkách antény.
Pokud je jX vysoké a kladné (desítky až stovky Ohmů), je žebříček
dlouhý a ke kompenzaci induktivního charakteru bude zpravidla
vyžadována vysoká kapacita, která přesáhne možnosti tuneru. Potom musí
být žebříček zkrácen. Pokud je jX záporné, zkrátili jsme žebříček
více, než je třeba. Tuner si s tím zpravidla hravě poradí. Při
pečlivém měření lze velice dobře rozlišit mezi kladnou či zápornou
reaktancí a anténu nastavit jen s použitím žebříčku do rezonance (tj.
jX = 0). VSWR pravděpodobně nebude VSWR=1, to by byla málo
pravděpodobná náhoda, ale s vysokou pravděpodobností bude menší než 2.
Nemusí to však být pro nás naladění finální, zejména, musíme-li udělat
kompromis na jiném pásmu.
| Koaxiál mezi žebříčkem a tunerem
Koaxiál (o char. impedanci Z=50 Ohmů) nám
samozřejmě bude transformovat impedance. Změnou délky koaxiálu
však nikdy nedocílíme správného přizpůsobení, protože to
teoreticky není možné. Je však pravdou, že při některých délkách
koaxiálu vyladíme anténu s tunerem snadno a při jiných to může být
obtížné. Ve Smithově diagramu - viz obrázek vpravo, si všimněte
téměř celé zelené kružnice. Ta představuje koaxiální kabely o
délkách od nuly (bod TP7) do 41.5 metru elektrické délky (TP8, 41.5m je téměř 1/2 vln.
délky). Uvědomte si, že VSWR je pořád vysoké (vyšší než 3 - mimo
modré kruhy), ale impedance se pohybují v různých hodnotách.
Schéma:

Poznámka: Nižší hodnoty VSWR
docílíme u antény jedině tak, že na nejlepší VSWR naladíme délkou
žebříčku. Potom nám bude koaxiální kabel opisovat maličkou
kružnici kolem středu, která takové hodnotě VSWR odpovídá. |
 |
| |
|
|
|
|