|
Úvod Věřím, že souhra náhod existuje. V posledních dvou měsících
mi přišlo několik mailů, které se týkaly balunů a tunerů. Za nostalgickou
vzpomínkou však stojí Standa VK3PSR, který je šťastným majitelem tuneru
Supermatch KW 107. Podotýkám, že jsem toto zařízení nikdy nevlastnil,
přesto ho považuji za klenot mezi tunery. Konstruktér rozhodně využil
bohatých zkušeností, technické erudice a selského rozumu. Vznikl výrobek
technicky dobře navržený a dílensky dobře vypracovaný. Dost řečí na úvod a
pojďme se podívat, čím mě tento tuner, nazvaný Supermatch, zaujal.
Manuál se schématem
Uživatelský manuál se
schématem je ke stažení zde. Uvedu zde
ještě schéma přístroje z manuálu:

| a pohled na
čelní panel přístroje - vpravo: Provedení
přístroje je robustní, poplatné době vzniku, který odhaduji na 60 nebo
70 léta minulého století. Skříň přístroje je rozměrná, protože uvnitř
je mimo vlastního tuneru také anténní přepínač a rozměrný rezistor
umělé zátěže (dummy load).
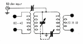
Principielní schéma vlastního Supermatche, převzaté
z manuálu vypadá takto:
 |

|
| Schémata zapojení pro pochopení
principu činnosti |
|
| |
|
| Pokud se vám bude k
pochopení činnosti zdát schéma Supermatche KW-107 složité, překreslete
si ho, případně si ho rozdělte na dva samostatné tunery pro horní a
dolní pásma:

V sérii s vysílačem je vždy kondenzátor
Cs. Supermatch obsahuje dva systémy s HF trafem, pomocí kterých se přizpůsobují
antény pro pásma 80/40/30 metrů nebo antény pro 20/17/15/12/10 metrů.
Provedení indukčností a zapojení kapacit Ch pro horní pásma a Cp pro
spodní pásma se liší.
Poznámka: Všimněte si, že Cp je vždy
připojen k systému pro horní pásma. Samozřejmě, že vždy s paralelní
indukčností. Cp a Ch jsou spřažené (na jedné hřídeli). Pokud zkoušíte
jen jednu část tuneru, nezapomeňte na tuto skutečnost nebo použijte
samostatný kondenzátor Cp.
Zapojení pro stavbu doma rovněž najdete na netu,
známé je zapojení Z matche od W1CJL. Uvádím hodnoty cívek z původního
pramenu. (Podle mě je tam chybička, ale ba tu si přijdete, hi ...):

Jiný dobrý a ucelený návod včetně fotografií a
indukčností, myslím, že s uvedením správných hodnot, byl uveřejněn zde
:
http://vk6ysf.com/kw_ezee_match.htm.
|
|
 |
Na obrázku vlevo vidíte
zapojení Supermatch pro spodní pásma. V obvodu je fixní (neproměnná)
indukčnost L (bez odboček). Pro napájení symetrických antén existuje v
zařízení ještě druhé vinutí. Vhodným transformačním poměrem (ne příliš
vysokým, cca 1:1.2 nebo 1:1.3) autor dosáhl toho, že s ne příliš
vysokými kapacitami je schopen ladit na 80m pásmu i poměrně malé
impedance nízko instalovaných antén s obvyklými kapacitami
kondenzátorů. |
| |
|
| Princip ladění
Princip ladění vysvětlím pomocí Smithových diagramů
na hodnotách reálné antény G5RV v montáži INV-V, napájené žebříčkem
PCV-570-84 o délce 9 metrů. Výška vrcholu antény cca 10m až 12m. Co
dělají jednotlivé obvodové součástky a jak ladíme ukážu nejprve na
pásmu 30 metrů - vpravo:
Laděná anténa má na kmitočtu 10.12 MHz impedanci
135-j443 Ohmů, všimněte si, kam transformuje impedanci paralelní
neproměnná indukčnost. Proti této transformaci jdeme paralelní
proměnnou kapacitou. Sériovou kapacitou pak provedeme přizpůsobení na
výstupní impedanci vysílače Z=50+j0 ....
Na pásmech 40 metrů a 80 metrů je transformace
znázorněna na obrázcích dole: |
 |
 |
 |
| |
| Obdobně vyřešíme na druhém systému pro
horní pásma příklad přizpůsobení antény na pásmu 21 MHz - obrázek
vpravo. Do grafu jsem rovněž zakreslil průběh křivky Q = 1.1, to
proto, abychom si mohli udělat představu o velikosti ztrát. Jak se
ztráty řeší, rovněž na mém webu najdete. Na
obrázku dole je zakresleno stejné přizpůsobení pomocí prostého L
článku, který má z přizpůsobovacích čtyřpólů nejmenší ztráty. Všimněte
si, že rozdíl není až tak podstatný: |
 |
|
 |
Rovněž u L článku jsem zakreslil čáru Q
= 0.7 Z grafu je vidět, že pokud provádíme
přizpůsobení s L článkem, musíme nutně použít proměnnou indukčnost,
tj. roller. Rollel vinutý tlustým drátem a s robustním, dokonale
vodivým kontaktem.
Fotky robustního roleru jsem uvedl
např. v popisu tuneru
ATR-30, který jsem přesto prodal. |
| Výhody
popsaného tuneru 1. Pro běžné hodnoty
impedancí symetrických antén má tento tuner nízké ztráty, nepatrně
vyšší, než L článek. Ztráty se zvyšují v případech, kdy jsme nucení
ladit extrémní impedance. Tuner KW107 je schopen dobře přizpůsobit i
nesymetrické antény. V takovém případě je jedna svorka HF
transformátoru spojená se zemí stanice.
2. Tuner používá pro symetrizaci robustní HF
transformátor. U přizpůsobené antény je rovněž docíleno potřebné
symetrizace. Když jsem
psal o balunech úvodní článek,
popisoval jsem jejich základní roli, popsal jsem význam
transformátoru. Transformátor dělá ze Supermatche skutečný symetrický
tuner.
3. Kdo si alespoň jedenkrát vyzkoušel ladění s
tunerem, který používá uvedený princip, ocení především rychlé a
snadné ladění. Pomocí dvou kondenzátorů naladíte opravdu rychle a
přesně. To se nedá s laděním pomocí rolleru srovnávat.
4. Za nevýhodu musíme rozhodně považovat nutnost
přepínat anténu na svorky pro spodní a horní pásma, pokud používáme
stejnou anténu.
Poznámky:
1. Pro svůj experiment jsem kdysi použil pouze
část pro spodní pásma k anténě G5RV. Upřednostňuji toto řešení např.
před systémem ATR-30, jehož nejslabším článkem je použití balunu 1:4
na výstupu z tuneru pro napájení symetrických antén Tohle řešení
jednoduše nefunguje, antény G5RV nejsou vůči zemi symterické, což se
projevuje zejména v pásmu 80 metrů hlukem a rámusem, který např. u
dipólu nebo slušného vertikálu neslyšíme. Tuner lze vylepšit tak, že
se dobrý balun použije na jeho vstupu. Takové řešení funguje u mnoha
tunerů, pokud je nikde neuzemníme. U ATR 30 to však nefunguje. ATR-30
je v obrovské bedně. Pokud jsem tu bednu měl na zesilovači AL-811H,
tak kapacita bedny tuneru a uzemněné bedny lineáru opět stačila na to,
abych neměl symetrickou a neuzemněnou anténu napájenou symetricky.
Když jsem lineár schoval do skříně a na stolku byl jen ATR-30, opět to
nefungovalo, protože jsem zapomněl, že za tunerem je radiátor
ústředního topení. A tak si radostně tekly HF proudy do uzemněného
radiátoru a anténa byla stále hlučná. Pak jsem tuner přestal používat
a upravil jsem si jeden automat tak, aby byl v malé bedně, s balunem
na vstupu a s izolovaným napájením, aby se náhodou HF proudům nechtělo
do země skrz zdroje. A G5RV byla najednou tichou anténou. Od té doby
jsem ATR-30 používal pouze k experimentálním měřením, testům a
srovnávání. A tenkrát jsem také vyzkoušel jednu část Z - matche
(paralelní kondenzátor, HF trafo, sériový kondenzátor). Během letošní
zimy použiji toto schéma k výrobě prototypu dálkově ovládaného tuneru
pro symetrické antény. Dva "SW potenciometry" a paměti budou v PC
(program už jsem napsal), v bedně u žebříčku bude mikropočítač
"cvakající" s relátky u kondenzátorů. Transformátor bude na feritu....
2. A tak mi nezbývá nic, než obdivovat dokonalost
návrhu Z-matche, vhodné volby indukčností, kapacit a transformačního
poměru. Takový návrh mohl udělat jen člověk, který měl mnoho
zkušeností s celou řadou antén.
3. Pokud se vám zdá, že z antény slyšíte hodně
hluku, rambajs a rušení, podívejte se, jak jste na tom se symetrií
proti zemi.
4. Pokud slyšíte rambajs z vertikálů, vyzkoušejte
konstrukci od zemně izolovaných vertikálů. Můžete vyzkoušet jejich
napájení s oddělovacím transformátorem, tak, abyste neměli uzemněný
koaxiální napáječ. Možná se budete divit, co všechno uslyšíte .... |
| |
|
| |
|
|